• 德州市德凯减速传动机械有限公司

    主要经营蜗轮蜗杆减速机、二次包络减速机、各种非标、国标减速机

    0534-2745188

    欢迎来电

  • 钢厂专用减速机

    广泛应用于冶金、矿山、起重、运输、石油、化工、纺织、制药、食品、轻工等工业各部门的减速装置。

    电话:0534-2745188
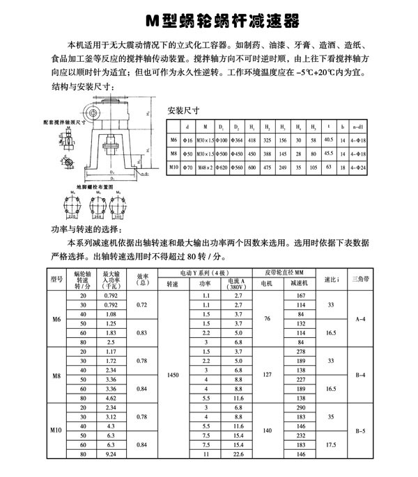
M型立式蜗轮蜗杆减速机
更新时间:2024/02/29
M型立式蜗轮蜗杆减速机

M型立式蜗轮蜗杆减速机1.jpg

上一页:已经为第一条
下一页:已经为最后一条