


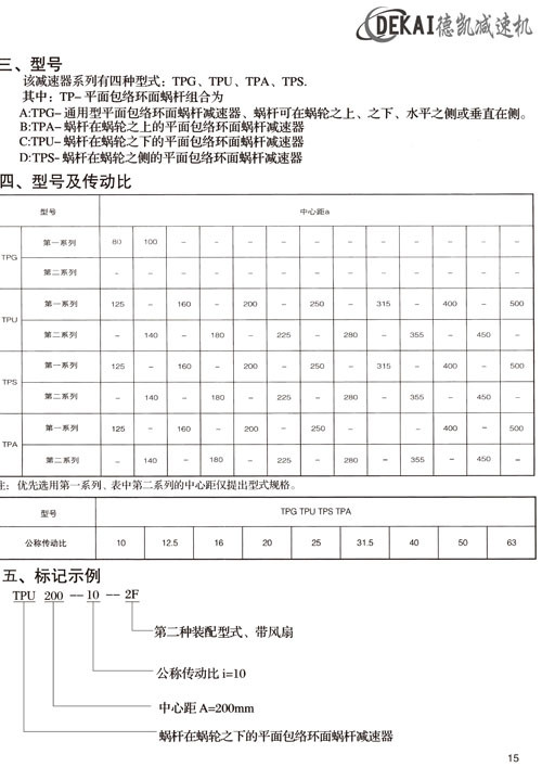
TP系列平面包络环面蜗杆减速机
平面包络环面蜗杆减速器是一种新兴的传动装置,其承载能力大,传动效率高,结构紧凑、合理。这种减速器可以广泛地应用于各种传动机械中的减速传动,如冶金、矿山、起重、化工、建筑橡塑船舶等韩而已以及其它机械设备上,使用工作环境温度为-40°C~+40°C,输入轴转速不大于1500转/分,蜗杆轴可正、反两面方向旋转。
产品简介:平面二次包络环面蜗杆传动是一种新型蜗杆传动装置,这种蜗轮副具有以下特点:蜗轮齿面硬度高,表面经渗氮后磨削而成,精度高,表面光滑。加工过程与成形原理吻合度高,传动精度高。蜗杆与蜗轮的啮合为多齿接触,每齿为瞬时双线接触,齿面接触区可达百分之七十以上。啮合面的综合曲率半径大。接触线与相对速度方向夹角大,动压油膜形成及保持性好。此种蜗轮副承载能力大,传动效率高,耐磨损,可广泛地应用于冶金、矿山、化工、建筑、橡塑、船舶等各种行业中。平面二次包络蜗杆副的技术特征:平面二次包络蜗轮副是一个平面为母面,通过相对圆周运动,包络出环面蜗杆的齿面,然后再以蜗杆的齿面为母面,通过相对运动包络出蜗轮的齿面而形成的。
承载能力大
平面二次包络环面蜗杆能多齿同时进入啮合,增大了接触面积,减少了齿面压力,承受大的冲击载荷。蜗杆蜗轮的接触线是沿齿高方向上,并且齿面的啮合是在接触线上,具有很小的相对曲率,使接触应力减少。蜗杆和蜗轮在啮合中同时有两条接触线进入工作区域。这和增加啮合齿数一样,可提高承载能力。磨削的蜗杆齿面,表面粗糙RaO.8。高质量的蜗杆几何尺寸和表面粗糙度,保证耐磨防止大负荷时油膜破坏。蜗杆的齿面是经过氮化热处理后精制而成,齿面硬度HRC≥50,高硬度的蜗杆在设计上保证有足够的刚性以致于它的弯曲和其它因素不影响上述啮合特性。
大的滑动角
由于接触线和相对滑移速度方向之间有很大的滑动角并且沿滑动的方向相对曲率半径大,是齿面间良好的润滑条件的主要原因。
小的啮合摩擦系数
齿面润滑角大,啮合中容易形成动压油膜,减少齿面磨损,磨削后的蜗杆可使啮合摩擦系数降至低限度。
